主要是赶上了疫情,,然后期末要疯狂补实验报告,就索性写一下吧,万一以后再做电力电路仿真,可能会有用的,也希望可以帮助别人。 注:路径是QQ截图提取的文字,有错,但是大概方向不错的;建议选择该路径下,因为这是可以保证连接成功的 晶闸管(参考一个见过的,可能默认也行吧;这个不太清楚了就) 图象在α=0°下: 观察α =30° 、60°、90°、120° 、150° 时Ud、Ur的波形,并测量直流输出电压U和电源电压U,记录于下表中。 先给出仿真波形: 这里Ud的记录值不太清楚,同时simulink怎么输出Ud也不太清楚。。 就这样吧实验一
simulink电力电子仿真(1)单相半波可控整流电路
返回目录
器件的选择及位置
MATLAB的版本 2018a
器件名称
器件位置
AC Voltage
Simscape/Power Systems/Specialized Technology/Fundamental Blocks/E1 ectrical Sources
Scope
Simulink/Sinks/Scope
Voltage Measurement
Simscape/Power Systems/Specialized Technology/Fundamental Blocks/Measurements
Current Measurement
Simscape/Power Systems/ Specialized Technology/Fundamental Blocks/ Measurements
Series RLC Branch
Simscape/Power Systems/Specialized Technology/Fundamental Blocks/E1 ements
Ground
Simscape/Power Systems/Specialized Technology/Fundamental Blocks/Elements
powergui
Simscape/Power Systems/Specialized Technology/Fundamental Blocks
Diode
Simscape/Power Systems/Specialized Technology/Fundamental Blocks/Power E1 ectronics
Thyristor
Simscape/Power Systems/Specialized Technology/Fundamental Blocks/Power Electronics
Pulse Generator
Simulink/Sources
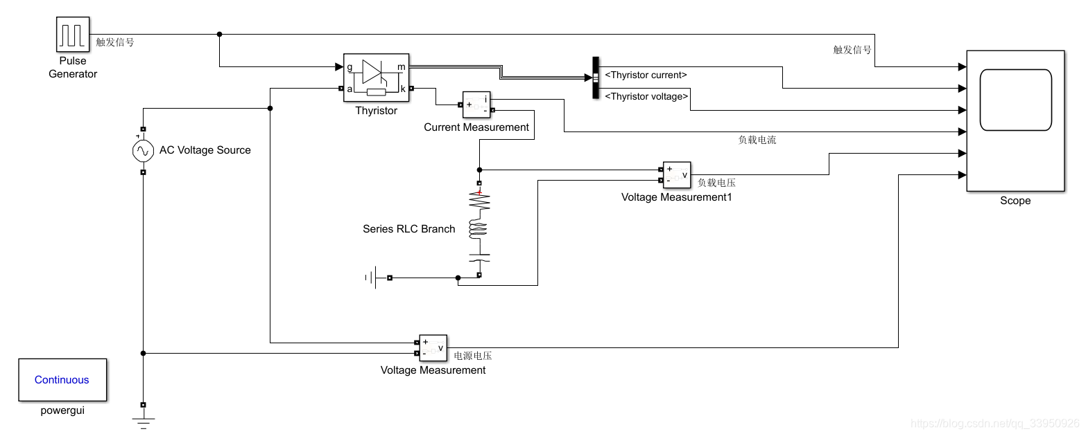
仿真电路的绘制

参数设定

电源

触发脉冲
从上至下数据值依次为脉冲幅值、周期、脉宽、相位延迟。
利用公式α *0.02 /360将角度转化为时间量。
此实验中用到的触发器参数均是以此为依据。,图中α=0,表示触发角为0
示波器
多个窗口显示
在scope的菜单栏view->layout中设置仿真结果显示
电阻负载下:R=1

图象在α=30°下:

图象在α=60°下:

图象在α=90°下:

实验任务
阻性负载
选定R=45
Ud = 0.45U2(1+cosα)/2 使用matlab计算得出,给出代码 a = [30 60 90 120 150]; u2 = 220; ud = 0.45*u2*(1+cos(a/360*2*pi))/2
α
30°
60°
90°
120°
150°
U2
220
220
220
220
220
Ud
92.3683
74.2500
49.5000
24.7500
6.6317
阻感负载
α=30°

α=60°

α=90°

将负载电阻R改成电阻电感性负载(由电阻器与平波电抗器Ld串联而成)。暂不接续流二极管 VD1,在不同阻抗角[阻抗角 φ=tg-1(ωL/R),保持电感量不变,改变R的电阻值,注意电流不要超过1A]情况下
这里选取R=1,L=0.01下,此时wL=2×pi×50×0.01>>R:
α
30°
60°
90°
120°
150°
U2
220
220
220
220
220
阻感负载加续流二极管

α=30°:

α=60°:

α=90°:

返回目录
本网页所有视频内容由 imoviebox边看边下-网页视频下载, iurlBox网页地址收藏管理器 下载并得到。
ImovieBox网页视频下载器 下载地址: ImovieBox网页视频下载器-最新版本下载
本文章由: imapbox邮箱云存储,邮箱网盘,ImageBox 图片批量下载器,网页图片批量下载专家,网页图片批量下载器,获取到文章图片,imoviebox网页视频批量下载器,下载视频内容,为您提供.
阅读和此文章类似的: 全球云计算
官方软件产品操作指南 (170)