一、硬件成本: 二、目标实现: 三、架构设计:
(1)stm 32 :150元左右
(2)DHT11:10元
(3)LM386及扬声器: 30元
(1)利用stm32能够读取出DHT11所获取得到的温度数值,并将其显示到stm32自带的显示屏上。
(2)利用stm32做出判断当前的温度值是否超过阈值。
(3)当stm32判断出当前温度已经超出阈值时,将信号传输给LM386功率放大器,之后功率放大器驱动扬声器发出声音。
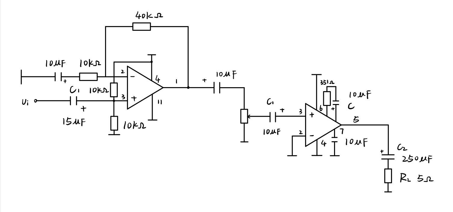
四、电路图及硬件连接图
(1)DHT11与stm32的连接较为简单,只需将DHT11传感器四个引脚插入到如图所示的接口就可以通过 stm32f103来读取温度值。

(2)LM324和LM386的放大电路:

本网页所有视频内容由 imoviebox边看边下-网页视频下载, iurlBox网页地址收藏管理器 下载并得到。
ImovieBox网页视频下载器 下载地址: ImovieBox网页视频下载器-最新版本下载
本文章由: imapbox邮箱云存储,邮箱网盘,ImageBox 图片批量下载器,网页图片批量下载专家,网页图片批量下载器,获取到文章图片,imoviebox网页视频批量下载器,下载视频内容,为您提供.
阅读和此文章类似的: 全球云计算
官方软件产品操作指南 (170)