D/A转换器是将数字量转换为模拟量的电路,主要用于数据传输系统、自动测试设备、医疗信息处理、电视信号的数字化、图像信号的处理和识别、数字通信和语音信息处理等[1]。 按照解码网络结构不同,D/A转换器可分为:倒T形电阻网络D/A转换器、T形电阻网络D/A转换器、权电流D/A转换器等。 按照模拟开关电路的不同,D/A转换器可分为:CMOS开关型和双极性开关D/A转换器。其中双极性开关D/A转换器还可分为电流开关型和ECL电流开关型两种,在速度要求不高的情况下,可选用CMOS开关型D/A转换器。如果对速度要求较高,则应该选用双极性电流开关D/A转换器或更高速的ECL电流开关型D/A转换器。 以4位倒T形电阻网络D/A转换器为例。电路的原理图1所示。 图中呈倒T形的电阻网络与运算放大器A组成求和电路。模拟开关Si由输入数码Di控制,当Di = 0时,Si接地;当Di = 1时,Si 接运算放大器反向端。 工作于线性运用状态的运放,其反向端虚地,这样,无论模拟开关Si 置于何种位置,与Si 相连的2R从效果上看总是接”地”的,流经每一条2R的电阻之路上的电流与开关状态无关。分析R-2R电阻网络可以发现,从每个节点向左看,每一个二端网络的等效电阻均为R,与开关相连的2R电阻上的电流从高位到低位按2的负整数幂递减。如果基准电压提供的总电流为 综上,可以得到总电流为: 输出电压 如果将输入数字量拓展到n位,那么可以得到n位倒T形电阻网络D/A转换器输出模拟与输入数字量之间的一般关系式: 若将上面的狮子中的 上式表明,对应每一个二进制数NB在如图所示倒T形电阻网络D/A转换器中都可以得到阈值成正比的模拟电压。 由于倒T形电阻网络D/A转换器中,各个之路的电流是同时流入运算放大器的输入端,因此他们之间不存在传输上的时间差,所以,电路不仅具有较高的转换速度,而且在动态过程中输出端可能出现的尖脉冲也大大减小。 在实践中D/A转换器的应用范围很广,他不仅可以将数字量转换为模拟量,而且还可以用于数字量对模拟信号的处理[2]。 通常,应用D/A转换器可以做以下电路: 数字式可编程增益控制电路 脉冲波产生电路 以脉冲波产生电路为例:它可以结合计数器74LS161构成阶梯波发生电路。 阶梯波发生器是在电子电路实验中应用非常广泛的信号源之一,在电子测量和自动控制系统中,由阶梯信号发生器产生的阶梯波信号,可以作为时序控制信号和多级电位基准信号,从而获得广泛应用。 本设计采用D/A转换器和计数器74LS161构成阶梯波发生电路。 74HC161和74LS161都是常用的四位二进制可预置的同步加法计数器,74HC161是CMOS型,74LS161是TTL型。它可以灵活的运用在各种数字电路,以及单片机系统中实现分频器等很多重要的功能。 此处采用74LS161,采用反馈清零法,组成模10计数器。74LS161如图2。 其中 74LS161的主要功能如下: 其中~为该值的反。 异步清零功能:当~CLR为零时,不论有无时钟脉冲CLK和其他信号输入,计数器被清零,即QD~QA都为0。 同步并行置数功能:当~CLR=1,当~LOAD=0时,在输入时钟脉冲CLK上升沿的作用下,并行输入的数据DCBA被置入计数器,即Qd~Qa=DCBA。 计数功能:当~LOAD =~CLR =ENP=ENT=1,当CLK端输入计数脉冲时,计数器进行二进制加法计数 保持功能:当~LOAD=~CLR 1时,且ENP和ENT中有”0″时,则计数器保持原来状态不变。 此处应用D/A转换器为Multisim元件库中的8bits VD/ACB元件。 将D/A转换器的高位D4~D7均置0,将低4位输入连接到74LS161的QA~QD 最后电路图如图4 采用50Hz方波作为CP脉冲输入,连接74LS161的CLK,使用5V直流电源为其供电。在CP信号作用下,QD~QA的输出为0000~1001,在D/A转换器的作用下,输出波形如图5。 可以观察到在第2个、第4个、第6个、第8个下降沿均有”毛刺”出现,特别在第8个下降沿的尖刺特别明显。经查阅相关资料发现由于D/A转换器在相邻编号的输出端的脉冲波形在时间上有重叠,即在临界转换时刻有两个相邻的端口导通,使得两电子并联,支路分压增大,输出端电压也会出现瞬间增大。随后跌落正常值。由于D/A转换器的构造,D2和D3端口的内部支路串联电阻比其他端口更小,故使得瞬间分压更大[3]。 为除去输出波形中的”毛刺”。采用RC缓冲电路用于改进其输出波形[4],将一电阻Rs与电容Cs串联在电路的输出端口,与示波器并联。如图 输出电压可以根据下式计算。 参考文献 康华光.电子技术基础——数字部分[M].第五版.高等教育出版社.2005.07:414-423. 曹黎明,潘涌,曹沛其.阶梯波电流信号的生成和应用[J].应用激光,1993,(02):87-89. 钱博森.真阶梯波发生器[J].电子测量与仪器学报,1991,(04):1-6+62. 戈军.RC过电压吸收器在设计中的应用[J].煤矿设计,1995,(06):23-26.
D/A转换器简介
概述
D/A转换器的分类
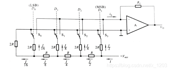
倒T型D/A转换器电路结构及其工作原理
电路结构

工作原理:
I=RVREF,则流过各个开关支路(从左到右)的电流分别为
2I 、
4I 、
8I 和 
16I。
iΣ=RVREF(24D0+23D1+22D2+21D3)
=24RVREF∑i=03Di∙ 2i
vO=−iΣRf=−RRf⋅24VREFi=0∑3 (Di⋅2i)
vO=−2nVREF⋅RRf[i=0∑n−1 (Di⋅2i)]
2nVREF⋅RRf用K来表示,方括号内的n位二进制数用Nn表示,则上式可以改写为
vO=−KNnD/A转换器的应用
D/A转换器和计数器74LS161构成阶梯波发生电路


CLR为异步清零控制端,
LOAD为同步置数控制端,RCO为进位输出端,CLK为时钟输入端,ENP、ENT为计数控制端,D,C,B,A为并行数据输入端,QD、QC、QB、QA 为数据输出端
 

 
 可以看到输出波形得到明显的改善。
vO=−2nVREF⋅RRf[i=0∑n−1 (Di⋅2i)]
本网页所有视频内容由 imoviebox边看边下-网页视频下载, iurlBox网页地址收藏管理器 下载并得到。
ImovieBox网页视频下载器 下载地址: ImovieBox网页视频下载器-最新版本下载
本文章由: imapbox邮箱云存储,邮箱网盘,ImageBox 图片批量下载器,网页图片批量下载专家,网页图片批量下载器,获取到文章图片,imoviebox网页视频批量下载器,下载视频内容,为您提供.
阅读和此文章类似的: 全球云计算
 官方软件产品操作指南 (170)
官方软件产品操作指南 (170)