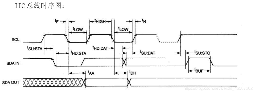
本实验向大家介绍如何使用STM32的IIC硬件接口,实现和24C02之间的双向通信,通过本实验的学习,我们将对IIC通信的过程会有一个详细的了解。 IIC简介 使用IIC总线通信时,只需要2根通信线,一条双向串行数据线(SDA),一条串行时钟线(SCL)。每个IIC设备都有一个独立的地址,主机可以利用这个地址进行不同设备间的访问。当多主机使用总线时,IIC有一个仲裁机制,会决定由那个主机使用总线。 IIC总线协定如下: IIC在数据通信过程中共有3种信号,分别是起始信号,停止信号和应答信号。 **起始信号:**时钟线(SCL)保持高电平期间,数据线(SDA)电平从高到低跳变作为I2C总线的起始信号。 **停止信号:**时钟线(SCL)保持高电平期间,数据线(SDA)电平从低到高的跳变作为I2C总线的停止信号 **应答信号:**接收数据的IC在接收到8bit数据后,向发送数据的IC发出特定的低电平脉冲,表示已收到数据。CPU向受控单元发出一个信号后,等待受控单元发出一个应答信号,CPU接收到应答信号后,根据实际情况作出是否继续传递信号的判断。若未收到应答信号,则判断为受控单元出现故障。 星光STM32F103开发板采用的EEPROM芯片为AT24C02,容量为256字节,这里我们把A0-A2均接地,也就是将AT24C02的地址设为0,写程序时要注意这点,连接到STM32的I2C2,对应管脚PB10,PB11,电路如图所示 main.c 24cxx.h 24cxx.c
实验目的
实验简介
 IIC(Inter-Integrated Circuit)总线是一种由PHILIPS公司开发的两线式串行总线,用于连接微控制器及外围设备。它是由数据线SDA和时钟线SCL构成的串行总线,可用于发送和接收数据。在CPU与被控IC之间,IC与IC之间进行双向传送,高速IIC总线一般可达400kbps以上,但是目前大多数IIC设备不支持高速IIC。
 
 器件简介
 本实验所用IIC器件为非易失性存储器EEPROM——AT24C02,容量为256字节,可擦写100万次,掉电数据不会丢失,通常被用来保存一些用户数据。这个系列芯片容量可以达到1Mbit,即128K字节,如AT24C1024.
 AT24C02的管脚配置如下,关于这个芯片详细介绍请参看数据手册:
 
电路设计
 
代码
#include "MyIncludes.h" u16 sys_cnt = 0; void systick_isr(void) { if(sys_cnt < 1000) {   sys_cnt++; } else {   sys_cnt = 0; HAL_GPIO_TogglePin(GPIOC,GPIO_PIN_4|GPIO_PIN_5); } }  u8 Wr_Buf[100]; //写缓冲器 u8 Rd_Buf[100]; //读缓冲器 int main() {   u16 i; System_Init(); LED_Init(); SysTick_Init(systick_isr); USART1_Init(115200,NULL,NULL); printf("EEPROM ReadWrite Testn"); while(EEPROM_Init()!=EEPROM_OK) { printf("EEPROM Init ERROMn"); } //当EEPROM初始化未完成 //输出EEPROM Init ERROM for(i=0; i<100; i++) {    Wr_Buf[i] = i+1; } EEPROM_Write(Wr_Buf,0,100); EEPROM_Read(Rd_Buf,0,100); if(strncmp((char *)Wr_Buf,(char *)Rd_Buf,100) == 0) { printf("EEPROM TEST OKn"); } else { printf("EEPROM TEST ERROR"); } while(1) { } } #ifndef __24CXX_H_ #define __24CXX_H_ #include "stm32f1xx.h" #include "stm32_types.h" #include "stm32f1xx_hal.h" #define EEPROM_MAX_TRIALS  ((uint32_t)3000) //函数的最大试用次数(貌似未用到) #define EEPROM_OK ((uint8_t)0) //状态:成功 #define EEPROM_FAIL   ((uint8_t)1) #define EEPROM_TIMEOUT  ((uint8_t)2) #define EEPROM_I2C_ADDRESS ((uint16_t)0xA0) //EEPROM地址 0xA0 #define AT24C01  127 #define AT24C02  255 #define AT24C04  511 #define AT24C08  1023 #define AT24C16  2047 #define AT24C32  4095 #define AT24C64  8191 #define AT24C128 16383 #define AT24C256 32767 uint8_t EEPROM_Init(void); //EEPROM初始化 uint32_t EEPROM_Read(uint8_t* pBuffer,uint16_t ReadAddr,uint16_t NumToRead); //指定位置读出指定个数的数据(数据数组首地址,开 //始读出的地址,要读出数据的个数); uint32_t EEPROM_Write(uint8_t* pBuffer,uint16_t WriteAddr,uint16_t NumToWrite); //在指定位置写入指定个数的数据,(数据数组首地址 //开始写入地址,要写入数据个数) void EEPROM_WriteLenByte(u16 WriteAddr,u32 DataToWrite,u8 Len); //在指定地址写入长度为Len的数据(开始写入的地址 //,数据数组首地址,要写入数据的长度) uint32_t EEPROM_ReadLenByte(u16 ReadAddr,u8 Len); //在指定地址读出长度为Len的数据(开始读出的地址 //要读的长度) #endif #include "24cxx.h" #include "iic.h"  I2C_HandleTypeDef hI2cEEpromHandler; void EEPROM_IO_Init(void) //EEPROM的I2c接口初始化 { I2C2_Init(&hI2cEEpromHandler); }    HAL_StatusTypeDef EEPROM_IO_WriteData(uint16_t DevAddress,uint16_t MemAddress,uint8_t* pBuffer,uint32_t BufferSize) //向EEPROM写入数据(器件地址,器件寄存器地址,代写入数据,写入长度) { return (I2C2_WriteMultiple(&hI2cEEpromHandler,DevAddress,MemAddress,I2C_MEMADD_SIZE_8BIT,pBuffer,BufferSize)); //I2C写操作(I2chandler,器件地址,器件寄存器地址 //一次发送数据大小,待写入的数据,写入长度) }    HAL_StatusTypeDef EEPROM_IO_ReadData(uint16_t DevAddress,uint16_t MemAddress,uint8_t* pBuffer,uint32_t BufferSize) //从EEPROM读取数据(器件地址,器件寄存器地址,待 //读取数据,待读取长度) { return (I2C2_ReadMultiple(&hI2cEEpromHandler,DevAddress,MemAddress,I2C_MEMADD_SIZE_8BIT,pBuffer,BufferSize)); //I2C读操作(i2c handler,器件地址,器件寄存 //器地址,一次发送数据大小8位,待写入数据,长度) }   HAL_StatusTypeDef EEPROM_IO_IsDeviceReady(uint16_t DevAddress,uint32_t Trials) //检查EEPROM是否准备就绪通信(器件地址,检测最大次数) { return(I2C2_IsDeviceReady(&hI2cEEpromHandler,DevAddress,Trials)); //判断器件是否就绪(I2C Hanler,器件地址 //检测最大次数) }  __IO uint16_t EEPROMAddress = 0; //EEPROMAddress 地址声明 uint8_t EEPROM_Init(void) { EEPROM_IO_Init(); //初始化I2C总线  EEPROMAddress = EEPROM_I2C_ADDRESS; //EEPROMAddress = 0xA0 if(EEPROM_IO_IsDeviceReady(EEPROMAddress,EEPROM_MAX_TRIALS) != HAL_OK) //检查EEPROM是否准备就绪通信 { return EEPROM_FAIL; //返回失败 } return EEPROM_OK; //返回成功 } uint32_t EEPROM_WaitEepromStandbyState(void) //等待EEPROM就绪 { if(EEPROM_IO_IsDeviceReady(EEPROMAddress,EEPROM_MAX_TRIALS) != HAL_OK) //检查EEPROM是否准备就绪(器件地址,检测最大次数) { return EEPROM_TIMEOUT; } return EEPROM_OK; } //实验未用到 uint8_t EEPROM_ReadOneByte(uint16_t ReadAddr) //在AT24C02中读出指定个个数数据 { uint8_t ReadVal = 0; if(EEPROM_IO_ReadData(EEPROMAddress,ReadAddr,&ReadVal,1) != HAL_OK) //从EEPROM中读取数据(器件地址,开始读取地址,待写入的数据,写入长度) {         ReadVal = 0xFF; } return ReadVal; } uint32_t EEPROM_Read(uint8_t* pBuffer,uint16_t ReadAddr,uint16_t NumToRead) //EEPROM读数据  缓冲区首地址,要读的地址,要读的个数 { uint32_t buffersize = NumToRead; if(EEPROM_IO_ReadData(EEPROMAddress,ReadAddr,pBuffer,buffersize) != HAL_OK) //从EEPROM读取数据(器件地址,器件寄存器地 //址,待读取数据,待读入长度) { return EEPROM_FAIL; } return EEPROM_OK; } uint32_t EEPROM_WriteOneByte(uint16_t WriteAddr,uint8_t DataToWrite) //向EEPROM写入一字节数据 //(写入的地址,待写入的数据) { uint32_t status = EEPROM_OK; if(EEPROM_IO_WriteData(EEPROMAddress,WriteAddr,&DataToWrite,1) != HAL_OK) //向EEPROM写入数据(器件地址,器件寄存器地址, //代写入数据,写入长度) {       status = EEPROM_FAIL; } if(EEPROM_WaitEepromStandbyState() != EEPROM_OK) //等待EEPROM就绪 { return EEPROM_FAIL; } return status; } uint32_t EEPROM_Write(uint8_t *pBuffer,uint16_t WriteAddr,uint16_t NumToWrite) //在EEPROM里面的指定地址开始写入指定个数的数据 //(数据数组首地址,开始写入的地址,要写入数据的个数) { uint32_t status = EEPROM_OK; while(NumToWrite--) {   status = EEPROM_WriteOneByte(WriteAddr,*pBuffer); //向EEPROM写入一字节数据 if(status != EEPROM_OK) { return status; }    WriteAddr++; //要写入地址自加      pBuffer++; //缓冲地址自加 } return EEPROM_OK; } //实验未用到 void EEPROM_WriteLenByte(u16 WriteAddr,u32 DataToWrite,u8 Len) //向EEPROM里面的指定地址开始写入长度为Len的数据 {   u8 t; for(t=0;t<Len;t++) { EEPROM_WriteOneByte(WriteAddr+t,(DataToWrite>>(8*t))&0xff); //每次写入一个(开始地址,待写入的数据) } } uint32_t EEPROM_ReadLenByte(u16 ReadAddr, u8 Len) //读取指定长度为Len的数据。 {  u8 t;  u32 temp=0; for(t=0;t<Len;t++) {   temp <<= 8;   temp += EEPROM_ReadOneByte(ReadAddr+Len-t-1); //读取指定个数数据(地址) } return temp; } 实验现象
本网页所有视频内容由 imoviebox边看边下-网页视频下载, iurlBox网页地址收藏管理器 下载并得到。
ImovieBox网页视频下载器 下载地址: ImovieBox网页视频下载器-最新版本下载
本文章由: imapbox邮箱云存储,邮箱网盘,ImageBox 图片批量下载器,网页图片批量下载专家,网页图片批量下载器,获取到文章图片,imoviebox网页视频批量下载器,下载视频内容,为您提供.
阅读和此文章类似的: 全球云计算
 官方软件产品操作指南 (170)
官方软件产品操作指南 (170)