CLM920_RC3 的 49 脚为主集天线接口,为方便天线调试需要在主板上增加π型匹 GNSS 天线可采用无源的陶瓷天线或其他类型的 GPS 天线,模块内部集成了 LNA,外部无需再增加 LNA 电路。 CLM920 RC3的47脚为GNSS天线接口,支持GPS,BEIDOU,GLONASS,GALILEO信号接收,如需要使用,需要先用 AT 命令 AT+CGPS=1 把 GPS 打开为方便天线调试需要在主板上增加π型匹配电路,走50 欧阻抗线,GNSS 天线需要与主天线与分集天线之间保持一定的间距,电路中的 L5,L6 默认不贴,C5 默认贴 100pF,具体值在天线调试完成后由天线厂提供,C6 默认贴 100PF,是隔直电容。如图: CLM920_RC3 模块提供两组 UART 接口。主串口和调试串口,串口电平为 1.8V。 1. 主串口: 该串口可实现 AT 交互指令,打印程序 log 信息,与外设数据交互等。 注意: 2.调试串口 CLM920_RC3 模块提供 2 线 DEBUG 串口用做调试模块,调试串口支持 115200bps波特率,用于 Linux 控制、log 打印,可以预留测试点,不用请保持悬空。 域格CAT1模组: 域格CAT1模组OPENCPU资料下载: 链接:
天线部分
配电路,走 50 欧阻抗线。
CLM920_RC3 的 47 脚为 GNSS 天线接口,为方便天线调试需要在主板上增加π型
匹配电路,走 50 欧阻抗线
主天线与分集天线之间需要保持一定的间距
CLM920_RC3 模块提供的两路射频天线接口均采用焊盘引出的方式 ,故设计时需
采用与之匹配的射频连接线
天线是一个敏感器件,易受外部周围环境的影响,故需要远离数字时钟线,DC 电
源等干扰信号,建议使用完整的地层作为参考地。
天线 LAYOUT 走线尽量短,尽可能走直线,避免过孔和翻层,立体包地,并在走
线两边多加地孔做隔离。

串口部分
模块主串口波特率可设置 9600,19200,38400,57600,115200,230400,460800,921600bps 波特率等,默认115200bps。主串口接口定义如下:

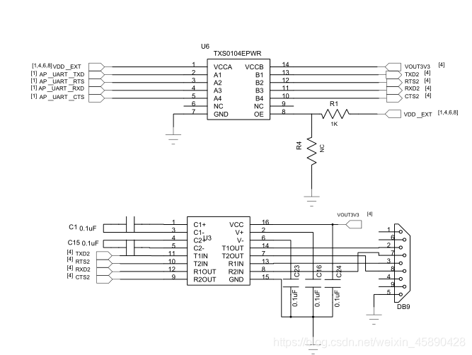
模块串口是 1.8V 电平,如果串口需要跟 3.3V 电平的 MCU 相连,则需要通过电平转
换芯片来实现电平匹配,芯片连接方式可参考以下电路:

1.推荐用IC进行电平转换
2.转换芯片的VCCA电源由模块提供1.8V,VCCB电源由LDO提供3.3V
3.VDD_EXT为1V8电源,提供电流最大50mA

https://pan.baidu.com/s/1SKargFEHwwLfUrAtrNQysg
提取码:dewl
本网页所有视频内容由 imoviebox边看边下-网页视频下载, iurlBox网页地址收藏管理器 下载并得到。
ImovieBox网页视频下载器 下载地址: ImovieBox网页视频下载器-最新版本下载
本文章由: imapbox邮箱云存储,邮箱网盘,ImageBox 图片批量下载器,网页图片批量下载专家,网页图片批量下载器,获取到文章图片,imoviebox网页视频批量下载器,下载视频内容,为您提供.
阅读和此文章类似的: 全球云计算
官方软件产品操作指南 (170)