8086_RAM字节扩展_8255A矩阵键盘输入.rar 本资源是作者在校期间的8086大作业,仅供学习使用,参考书籍为《微机原理与接口技术(第二版)》楼顺天版,请不要用于抄袭,诚实无价。该资源与作者博客同步更新。 注: 本文代码参考:https://blog.csdn.net/qq_29687847/article/details/106588692?fps=1&locationNum=2,感谢大佬,侵删。 题目: 设计方案: 仿真结果说明: 设计总结: 本文资源链接:
8086课程设计_RAM字节扩展_8255A矩阵键盘输入
原理图设计使用proteus8.6,汇编代码编写使用emu8086,
参考书籍为《微机原理与接口技术(第二版)》楼顺天版。
8086最小系统,设计RAM容量为16K*8bit, 地址为1C000H-1FFFFH,将键盘输入的数字(以ASCII字符的形式) 写入到这一存储空间。
1、8086 最小系统:参照参考书P164设计8086最小系统总线结构,如下图所示。

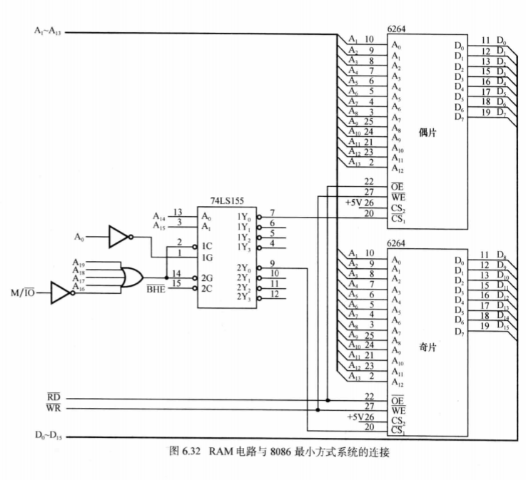
2、RAM 容量为 16K8bit:存储器芯片选用Intel 6264(存储容量为8K8),用两片Intel 6264构成连续的RAM存储区域。参照参考书P198图6.32,如下图所示。

3、地址为 1C000H——1FFFFH:软件编写的时候,设置存储起始位置为1C000H即可。
4、矩阵键盘输入:采用非编码式键盘的结构,编写计算键值的键盘扫描程序。参照参考书P319图11.19设计矩阵键盘与8086系统总线的连接,如下图所示。

实验原理图:
1、8086系统部分:8086芯片及锁存器相关设置。

2、存储部分:RAM部分采用6264(8K8bit)字扩展为16K8bit。

3、矩阵键盘:
a.键盘部分:
非编码式键盘一般采用行列式结构并按矩阵形式排列。

b.控制部分:
扫描与存储输出等功能使用了8255A芯片;B端口为行扫描,C端口为列扫描;A0、A3-A15的门电路组合同LS138结合控制8255A的CS端口以确定- 8255A的端口地址;A1、A2选择B/C端口;AD0-AD7输入控制字以确定8255A的工作方式。
程序流程说明:

汇编程序:DATA SEGMENT DATA ENDS CODE SEGMENT START: MOV BX,1C00H MOV DS,BX MOV BX,0000H LP: MOV AL,10000001B OUT 66H,AL ;控制字 1000 0001 写入;写行读列 KEY_IN_L: MOV AL,00000000B ;将0000输入B OUT 62H,AL IN AL,64H AND AL,0FH CMP AL,0FH JNC KEY_IN_L MOV CX,03000H ;延时去抖动 LOOP $ MOV AL,00000000B ;重复读取 OUT 62H,AL IN AL,64H AND AL,0FH CMP AL,0FH JNC KEY_IN_L ;确认非抖动则记录 MOV DL,0 ;记录当前列值 L1: MOV CX,4 SHR AL,1 JNC L2 INC DL LOOP L1 L2: MOV BL,DL ;转移列值 MOV AL,10000010B OUT 66H,AL ;控制字 1000 0010 写入;读行写列 KEY_IN_H: MOV AL,00000000B ;将0000输入C OUT 64H,AL IN AL,62H AND AL,0FH CMP AL,0FH MOV DL,0 ;记录当前行值 H1: MOV CX,4 SHR AL,1 JNC H2 INC DL LOOP H1 H2: MOV AL,DL SHL AL,1 SHL AL,1 ADD AL,BL ;保存键值到AL MOV BL,AL BCD_TO_ASCII: MOV AH,AL AND AL,0FH ADD AL,30H SHR AH,4 AND AH,0FH ADD AH,30H OUTPUT: MOV [SI],AL MOV [SI+1],0 INC SI MOV CX,100 LOOP $ JMP LP ENDLESS: JMP ENDLESS CODE ENDS END START


通过矩阵键盘依次键入随机数字:18042219,偶片和奇片轮流存入键入的值(通过软件转化的ASCII码),打开Memory Contents可以查看存入的值。DS:1C00,SI:0008,LA:1C008。符合题目要求。
略。抄袭可耻,诚实无价。
https://download.csdn.net/download/weixin_43586860/12511620
本网页所有视频内容由 imoviebox边看边下-网页视频下载, iurlBox网页地址收藏管理器 下载并得到。
ImovieBox网页视频下载器 下载地址: ImovieBox网页视频下载器-最新版本下载
本文章由: imapbox邮箱云存储,邮箱网盘,ImageBox 图片批量下载器,网页图片批量下载专家,网页图片批量下载器,获取到文章图片,imoviebox网页视频批量下载器,下载视频内容,为您提供.
阅读和此文章类似的: 全球云计算
官方软件产品操作指南 (170)