Nexys4 DDR+OV7670 整体思路:首先图像传感器OV7670采集图像通过PMOD口输入到内存RAM中,然后从RAM中实时提取像素并通过VGA实时显示在显示屏上。开发板时钟100M,经过分频,给OV7670驱动和VGA的时钟分别为50M和25M,内存RAM是通过XIlinx开发软件的vivado中的开源IP核调用,设置存储位宽和深度,用来存储一帧的图像数据,最后提取RAM中的这一阵像素到VGA上并显示。 1、开发板连接CMOS传感器图
软件环境:vivado2018.2
简介:开发板Nexys4 DDR, 摄像头OV7670,是CMOS 图像传感器,最高分辨率640*480.将摄像头OV7670通过开发板的PMOD的IO接口相连,用VHDL/verilog进行编程,本实验用了两种语言分别编程通过,通过编程,摄像头采集的图像可以通过VGA传输实时的显示在显示屏上。代码适用于Xilinx系列开发板,altera系列需要修改部分代码。

2、实验结果图(光线和角度问题有时会不清楚,毕竟分辨率只有640*480,摄像头的一些参数可以调整,通过设置摄像头的寄存器,这个就看官网的DATASHEET就行)
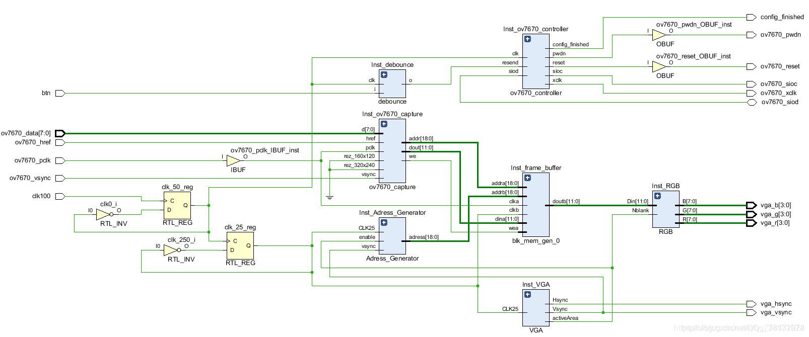
3、RTL整体框架图

4、仿真波形图

本网页所有视频内容由 imoviebox边看边下-网页视频下载, iurlBox网页地址收藏管理器 下载并得到。
ImovieBox网页视频下载器 下载地址: ImovieBox网页视频下载器-最新版本下载
本文章由: imapbox邮箱云存储,邮箱网盘,ImageBox 图片批量下载器,网页图片批量下载专家,网页图片批量下载器,获取到文章图片,imoviebox网页视频批量下载器,下载视频内容,为您提供.
阅读和此文章类似的: 全球云计算
官方软件产品操作指南 (170)