本节课是学习的难点,学生学后往往过多注意数学式子推导的繁琐性,而忽略了基本概念。讲课时注意简化数学推导,突出物理概念。 由于电容有隔直通交的频率响应特性,所以用来做滤波器,如下图,在频率无无穷大的时候,电容相当于短路,放大器就没有了输入信号;在频率为0的时候,电容相当于短路,这就是电路相当于一个同相比例放大电路。那在中间的频率时,就有衰减的过程,这就是滤波器的基本原理: 2.第一级是高通,第二级反相求和电路,表达式可以求出来,一个是经过高通的反相信号,一个是原来的信号,进行求和,实际上是作差,所以结果是一个低通滤波器。 参考《模拟电子技术基础》清华大学华成英主讲
 本节课的教学目的:
 1、掌握滤波器的有关概念:
 什么是滤波
 什么是低通、高通、带通、带阻滤波,用途
 什么是无源滤波、什么是有源滤波,用途
 如何描述滤波特性
 2、理解有源滤波器的工作原理和分析方法
 一阶、简单二阶、压控电压源二阶LPF的组成
 高通、带通、带阻滤波的组成
 滤波电路的分析方法
 3、学会识别有源滤波电路
 4、了解状态变量型滤波器
 
 
 
 
 如果是无源滤波器,那在负载变化时,通带放大倍数和截止频率都要改变,所以性能不稳定,怎么办呢?
 
 有源滤波虽然能稳定滤波参数,可以放大,但是不能输出高电压和大电流。低通滤波器
 

 现在的一阶电路滤波,放大倍数的下降比较缓慢,也就是过渡带太宽了,相当于过滤的效果拖泥带水,怎么办呢?上二阶!
 
 经过一系列推导,反正是解决了拖泥带水的缺点,但是也产生了新的问题:截止频率降低了,只有特征频率的0.37倍,怎么使得fp=f0呢?加电压正反馈回路
 
 
 公式的推导可以不用管,但是结论要理解,结论就是
 频率刚好是特征频率的时候,通带时的放大倍数影响着此刻的实际放大倍数,且通带放大倍数Aup=2时,此特征频率对应的放大倍数也是2.
 当Aup在2~3的时候,特征频率对应的放大倍数会比通带放大倍数还要大。为了以40分贝速率下降,往往会利用这一点。
 
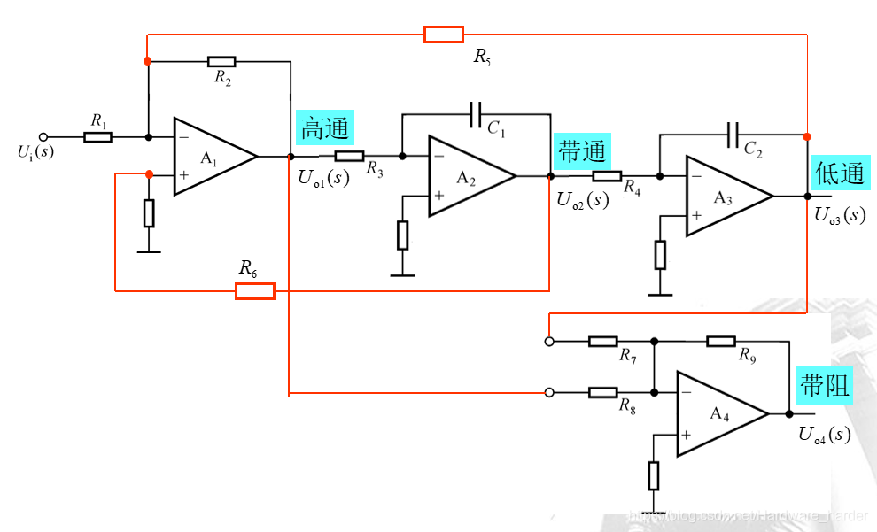
高通、带通、带阻有源滤波器

 带通要串联,带阻要求和状态变量型滤波器

 用负反馈决定通带放大倍数状态变量滤波器 二阶电路的组成

 图中是二阶低通低通和二阶高通:低通必须加电阻负反馈用来限制通带的放大倍数,不然频率越低放大倍数越大,没有限制。高通是因为把二阶低通看成反馈回路,逆运算就是高通。
 
 还能输出带通,但是也要加电阻的负反馈限制通带放大倍数。
 
 低通高通求和还能输出带阻信号。运算电路和有源滤波器的比较


 两个题:
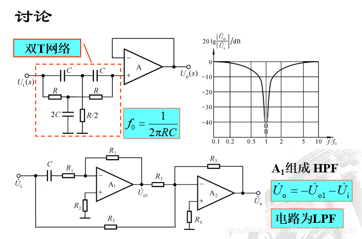
 1.读图:从频率趋近于0和无穷大来看信号的放大倍数,是低通还是高通还是带阻还是带通。
 频率趋近于0时放大倍数1,趋近于无穷时放大倍数为1。所以这里是带阻滤波器,如果要带通,那就将带阻滤波电路放置在反馈回路上。
 https://www.bilibili.com/video/BV19s411a7KL?p=38
本网页所有视频内容由 imoviebox边看边下-网页视频下载, iurlBox网页地址收藏管理器 下载并得到。
ImovieBox网页视频下载器 下载地址: ImovieBox网页视频下载器-最新版本下载
本文章由: imapbox邮箱云存储,邮箱网盘,ImageBox 图片批量下载器,网页图片批量下载专家,网页图片批量下载器,获取到文章图片,imoviebox网页视频批量下载器,下载视频内容,为您提供.
阅读和此文章类似的: 全球云计算
官方软件产品操作指南 (170)