记忆:P(Postive)多正(空穴),N(negtive)多负(电子) 可以将上述的P型半导体和N型半导体紧密地结合在一起。在二者的接触面的位置形成一个PN结。 P型、N型半导体由于分别含有较高浓度的“空穴”和自由电子,存在浓度梯度,所以二者之间将产生扩散运动。即: 载流子经过扩散的过程后,扩散的自由电子和空穴相互结合,使得原有的N型半导体的自由电子浓度减少,同时原有P型半导体的空穴浓度也减少。 PN结的n区的电子向p区扩散,留下了正电荷在n区。类似地,p型空穴从p区向n区扩散,留下了负电荷在p区。进入了p区的电子与空穴复合,进入了n区的空穴与电子复合。其效果是扩散到对方的多数载流子(自由电子与空穴)都耗尽了,结区只剩下不可移动的带电离子,失去了电中性变为带电,形成了耗尽层(space charge region)(见图A)。 耗尽区的电场扩散运动的方向相反 若施加在P区的电压高于N区的电压,称为正向偏置(forward bias) 正向偏置下,跨PN结的电流强度取决于多数载流子的密度,这一密度随正向偏置电压的大小成指数增加。这使得二极管可以导通正向大电流 若施加在N区的电压高于P区的电压,这种状态称为PN结反向偏置(reverse bias)。 当反向电压逐渐增大时,反向饱和电流不变。 B(base):基极 (箭头在be间,P->N) PN结的偏执方式决定了晶体管的导通与截止,晶体管有三种工作状态:放大,截止,饱和。 晶体管用于模拟电路时工作在放大状态 以NMOS管为例子讲解一下MOS管的结构 与衬底连接的N极是源极,在源极还未与衬底连接时,源极和漏极是可以互换的。 备注:因为D与S的电势不同,导致导电沟道的宽度不同;因为时间精力的原因,暂时不对预夹断做了解数电补充1——三极管和MOS管
1. PN结
1.1 P/N型半导体
P型
N型
多子
空穴
电子
少子
电子
空穴
1.2 PN 结的形成
1.2.1 电子与空穴的运动
1.2.2 PN结形成原理
在两种半导体中间位置形成一个由N型半导体指向P型半导体的电场,称为“内电场”(N为正极的内电场)1.3 PN结的性质
1.3.1 平衡状态

1.3.2 正向偏置
外加电压与内电压的方向相反,可以理解成源源不断的电子注入P极,不断地压缩着耗尽层,耗尽层变薄,内电场不足以组织PN结的扩散运动,因而降低了PN 结的电阻。1.3.3 反向偏置
由于p区连接电源负极,多数载流子(空穴)被外电场拉向负极,因而耗尽层变厚。n区也发生类似变化。并且随反向偏置电压的增加,耗尽层的厚度增加。
从而,多数载流子扩散过PN结的势垒增大,PN结的电阻变大,宏观看二极管成为绝缘体。1.3.4 反向崩溃
但是当反向电压达到一定值时,PN结将被击穿。1.3.5 伏安特性

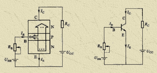
2. 三极管
2.1 符号:
C(colection):集电极
E(emission):发射集

2.2 三极管的各区域的掺杂浓度
区域
浓度
目的
发射区
浓度最高
可以提供更多的载流子来发射
基区
浓度很低,很薄
减少载流子与基区的符合机会
集电区
浓度在前两者之间,体积很大
方便收集边缘载流子
2.3 三极管的三种工作状态
在数字电路中交替工作在饱和和截止状态,起开关作用2.3.1 放大状态
NPN:VE<VB,VC>VB
PNP: VE>VB,VC<VB
发射区发射载流子形成Ie,少部分被基区复合形成Ib,大部分被集电极收集形成Ic
IE=IB+IC
放大系数
β=IBIC

2.3.2 饱和状态
UCE<UBE就饱和啦
a.
IB增加时,
IC基本不变
b.
UCE≈0
c. 晶体管相当于短路

2.3.3 截止状态
a. 基极电流
IB=0
b. 集电极电流
IC=0
c.
UCE=UCC
d. 晶体管相当于开路

3. MOS管
VGS=0时电流为不为0分为增强型和耗尽型。3.1 MOS管的基本结构

在P型半导体衬底上,制作两个高掺杂浓度的N型区,再在其上面覆盖一层二氧化硅绝缘层。最后在N区上方用腐蚀的方法做成两个孔,用金属化的方法分别在绝缘层上及两个孔内做三个电极:分别是栅极(gate),源极(source)和漏极(drain)3.2 MOS管的工作原理
在源极和漏极之间加上电压
vDS,而零栅极与源极的电压
VGS=0,由于漏极与源极之间相当于两个PN 结背向串联,所以D-S间不导通
iD产生
当
VGS=0大于某个电压值
VGS(th)时,由于栅极与衬底间的电场的吸引,使衬底中少数载流子——电子被吸引到衬底表面,在栅极附近形成一个N极薄层,与两个N极连通,形成了到店购岛,于是D-S间就有电流导通。

在这个时候,
UDS保持不变,
UGS增加会导致沟道变厚,
iD增加3.3 MOS管的开关特性

vGS<VGS(TH),管子截止,
iD=0,
ROFF>109Ω
vGS>VGS(TH),管子导通,
iD∝VGS2,
RON<103Ω

vGS>VGS(TH),管子截止,
iD=0
vGS<VGS(TH),管子导通,
iD∝VGS2

vGS<VGS(OFF)(VGS(OFF)<0),管子截止,
iD=0
vGS>VGS(OFF),管子导通
备注:因为h耗尽型
vGS=0时电流
iD=0,

vGS>VGS(OFF)(VGS(OFF)>0),管子截止,
iD=0
vGS<VGS(OFF),管子导通3.4 MOS小总结
VGS(th),N大于他,P小于他导通3.5 与三极管的对比
MOS管
三极管
源极S
发射极E
栅极G
基极B
漏极D
集电极C
电压控电流,栅极电流0
电流控电流,基极电流小
高输入电阻
输入电阻小
只多子导电,温度稳定性好
多子少子都参与导电
参考:
本网页所有视频内容由 imoviebox边看边下-网页视频下载, iurlBox网页地址收藏管理器 下载并得到。
ImovieBox网页视频下载器 下载地址: ImovieBox网页视频下载器-最新版本下载
本文章由: imapbox邮箱云存储,邮箱网盘,ImageBox 图片批量下载器,网页图片批量下载专家,网页图片批量下载器,获取到文章图片,imoviebox网页视频批量下载器,下载视频内容,为您提供.
阅读和此文章类似的: 全球云计算
官方软件产品操作指南 (170)