部分代码如下:
 reg[3:0] key_v1;
 定义了寄存器key_v1[0]、key_v1[1]、key_v1[2]、key_v1[3]
 reg[3:0] key_v2;
 定义了寄存器key_v2[0]、key_v2[1]、key_v2[2]、key_v2[3]
 always@(posedge sys_clk)  begin key_v1 <= ~key_in;  end
 always@(posedge sys_clk) begin key_v2 <= key_v1;  end                               assign led = key_v2;
 代码中key_in定义为4路按钮(input [3:0]  key_in),led定义为4路LED指示灯。
 以上代码执行原理:
 实时把按键的状态通过反相器(非门)取反后,通过两路寄存器送给LED指示灯。即按键值为0,LED引脚输出1;按键值为1,LED引脚输出0。
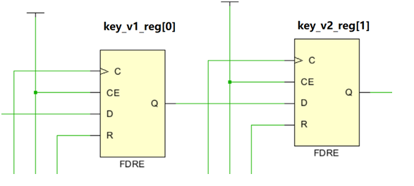
 以上寄存器reg[3:0] key_v1和reg[3:0] key_v2,在FPGA中用触发器来实现:
 如下图所示:
 
 其中引脚C为时钟引脚。引脚CE为使能引脚。引脚D为数据输入引脚。引脚Q为数据输出引脚。引脚R接GND,引脚CE接电源。
本网页所有视频内容由 imoviebox边看边下-网页视频下载, iurlBox网页地址收藏管理器 下载并得到。
ImovieBox网页视频下载器 下载地址: ImovieBox网页视频下载器-最新版本下载
本文章由: imapbox邮箱云存储,邮箱网盘,ImageBox 图片批量下载器,网页图片批量下载专家,网页图片批量下载器,获取到文章图片,imoviebox网页视频批量下载器,下载视频内容,为您提供.
阅读和此文章类似的: 全球云计算
官方软件产品操作指南 (170)